Hyundai ix35 2010-2013

Запчасти для Хендай ix35 2010-2013
Этот привлекательный кроссовер, выпускается с 2010 года, и является преемником модели Hyundai Tucson первого поколения. С момента своего появления, эта модель моментально завоевала сердца покупателей по всему миру. И правда машина удалась. Оптимальные потребительские качества при адекватной цене. Высокий клиренс, полный привод, достаточная мощность, топливная экономичность, привлекательный дизайн, уютный салон, не дорогая стоимость любой запчасти на Хендай ix35, спрос на вторичном рынке, вот далеко не полный перечень достоинств этого не заурядного автомобиля. На сегодня этот привлекательный джип, один из наиболее продаваемых автомобилей корейского автогиганта.
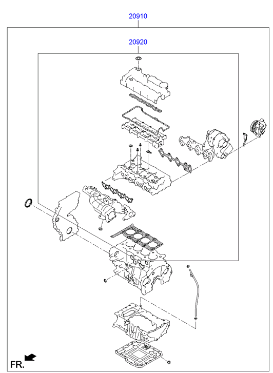
Комплект прокладок для двигателя
Комплект прокладок двигателя для Hyundai ix35 2010-2013
Комплект прокладок двигателя для Хендай ix35 2010-2013, в оригинале имеет каталожный номер: 209202FA00. В нашем магазине «Реаниматор», всегда есть в наличии оригиналы и более дешевые аналоги сторонних производителей:
AJUSA, Китай, каталожный номер 53037100, качество среднее, цена тоже.
ERISTIC, Тайвань, каталожный номер EH21370, качество приемлемое, цена недорогая.
Наши специалисты проконсультируют вас, благодаря чему любые запчасти для Hyundai ix35 с 2010 по 2013 год, в лучшем соотношении цена-качество, будут у вас уже сегодня! Оплата при получении. Если вы находитесь в регионе, то мы сегодня же осуществим отправку к вам, любой транспортной компанией.
Блок цилиндров
Блок цилиндров для Хендай ix35 2010-2013
Блок цилиндров для Hyundai ix35 2010-2013, в оригинале имеет каталожный номер: 211002F050. В нашем магазине «Реаниматор», всегда есть в наличии оригиналы и более дешевые аналоги сторонних производителей. Пока эта деталь производится только в оригинале. Наши специалисты проконсультируют вас, благодаря чему любые запчасти для Hyundai ix35 с 2010 по 2013 год, в лучшем соотношении цена-качество, будут у вас уже сегодня! Оплата при получении. Если вы находитесь в регионе, то мы сегодня же осуществим отправку к вам, любой транспортной компанией.
Радиатор масляный
Радиатор масляный для Hyundai ix35 2010-2013
Радиатор масляный для Хендай ix35 2010-2013, в оригинале имеет каталожный номер: 264102F000 и 264102F020. В нашем магазине «Реаниматор», всегда есть в наличии оригиналы и более дешевые аналоги сторонних производителей:
ACQ, Китай, каталожный номер ADK102F, качество среднее, цена тоже.
LEX, Турция, каталожный номер RD4580, качество выше, цена недорогая.
Polcar, Польша, каталожный номер 4104L81, качество приличное, цена чуть дороже.
VAN WEZEL, Бельгия, каталожный номер 83003215, качество выше, цена достойная.
Наши специалисты проконсультируют вас, благодаря чему любые запчасти для Hyundai ix35 с 2010 по 2013 год, в лучшем соотношении цена-качество, будут у вас уже сегодня! Оплата при получении. Если вы находитесь в регионе, то мы сегодня же осуществим отправку к вам, любой транспортной компанией.
Масляный насос
Масляный насос для Хендай ix35 2010-2013
Масляный насос для Hyundai ix35 2010-2013, в оригинале имеет каталожный номер: 213102F301. В нашем магазине «Реаниматор», всегда есть в наличии оригиналы и более дешевые аналоги сторонних производителей. Пока эта деталь производится только в оригинале. Наши специалисты проконсультируют вас, благодаря чему любые запчасти для Hyundai ix35 с 2010 по 2013 год, в лучшем соотношении цена-качество, будут у вас уже сегодня! Оплата при получении. Если вы находитесь в регионе, то мы сегодня же осуществим отправку к вам, любой транспортной компанией.
Корпус масляного фильтра
Корпус масляного фильтра для Hyundai ix35 2010-2013
Корпус масляного фильтра для Хендай ix35 2010-2013, в оригинале имеет каталожный номер: 263102F000, 263102F001, 263102F010 и 263102F011.
В нашем магазине «Реаниматор», всегда есть в наличии оригиналы и более дешевые аналоги сторонних производителей:
MANN, Германия, каталожный номер HU7027Z, качество высокое, цена тоже.
Mando, Корея, каталожный номер EEOK0003Y, качество достойное, цена недорогая.
MegaPower, Китай, каталожный номер 10023023, качество приемлемое, цена чуть соответствующая.
SAKURA, Япония, каталожный номер EO28070, качество высокое, цена приличная.
Наши специалисты проконсультируют вас, благодаря чему любые запчасти для Hyundai ix35 с 2010 по 2013 год,
в лучшем соотношении цена-качество, будут у вас уже сегодня! Оплата при получении.
Если вы находитесь в регионе, то мы сегодня же осуществим отправку к вам, любой транспортной компанией.
Поддон масляный
Поддон масляный для Хендай ix35 2010-2013
Поддон масляный для Hyundai ix35 2010-2013, в оригинале имеет каталожный номер: 215202F010. В нашем магазине «Реаниматор», всегда есть в наличии оригиналы и более дешевые аналоги сторонних производителей. Пока эта деталь производится только в оригинале. Наши специалисты проконсультируют вас, благодаря чему любые запчасти для Hyundai ix35 с 2010 по 2013 год, в лучшем соотношении цена-качество, будут у вас уже сегодня! Оплата при получении. Если вы находитесь в регионе, то мы сегодня же осуществим отправку к вам, любой транспортной компанией.
Крышка ГРМ
Крышка ГРМ для Хендай ix35 2010-2013
Крышка ГРМ для Hyundai ix35 2010-2013, в оригинале имеет каталожный номер: 213502F000. В нашем магазине «Реаниматор», всегда есть в наличии оригиналы и более дешевые аналоги сторонних производителей. Пока эта деталь производится только в оригинале. Наши специалисты проконсультируют вас, благодаря чему любые запчасти для Hyundai ix35 с 2010 по 2013 год, в лучшем соотношении цена-качество, будут у вас уже сегодня! Оплата при получении. Если вы находитесь в регионе, то мы сегодня же осуществим отправку к вам, любой транспортной компанией.
Подушка двигателя передняя
Подушка двигателя передняя для Hyundai ix35 2010-2013
Подушка двигателя передняя для Хендай ix35 2010-2013, в оригинале имеет каталожный номер: 219502Y600 и 219502S000. В нашем магазине «Реаниматор», всегда есть в наличии оригиналы и более дешевые аналоги сторонних производителей:
FIESTROCO, Тайланд, каталожный номер 14K1121, качество не плохое, цена тоже.
CTR, Корея, каталожный номер GZ0011, качество достойное, цена недорогая.
Brave, Китай, каталожный номер BRRP328, качество приемлемое, цена соответствующая.
Tatsumi, Япония, каталожный номер TEG1228, качество высокое, цена приличная.
Наши специалисты проконсультируют вас, благодаря чему любые запчасти для Hyundai ix35 с 2010 по 2013 год, в лучшем соотношении цена-качество, будут у вас уже сегодня! Оплата при получении. Если вы находитесь в регионе, то мы сегодня же осуществим отправку к вам, любой транспортной компанией.




Корзина








