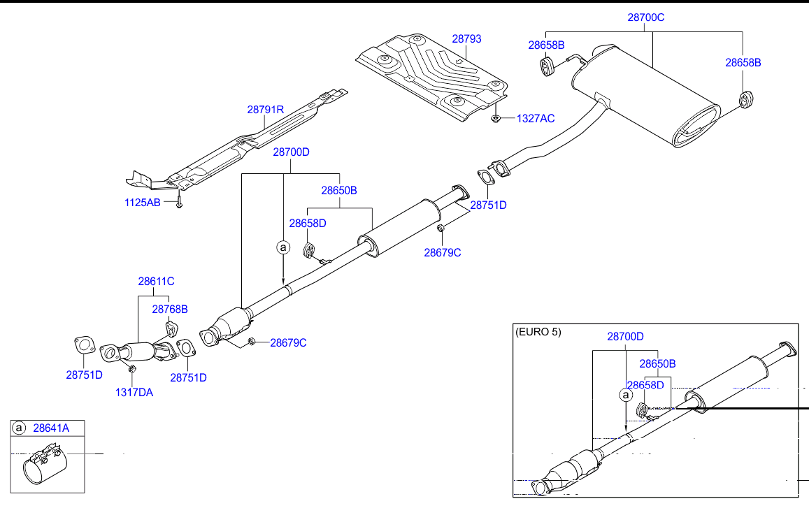
Hyundai ix35 2013-2015

Запчасти для Hyundai ix35 2013-2015
В 2013 года этот симпатичный кроссовер подвергся рестайлингу и стал ещё привлекательней! Передние фары стали красивее, появился биксенон со светодиодами ходовых огней, а так же стали изящнее задние фонари. Колесные диски изменили дизайн. Добавилась такая восхитительная опция для нашего отечества как подогрев руля, и много чего ещё. Запчасти на ix35, по-прежнему не дороги, и по прежнему вам потребуются не часто. Новый бензиновый мотор 2.0 с распределённым впрыском стал бодрее и экономичней. Новейший шести-ступенчатый «автомат» переключает передачи ещё плавнее. Акустический комфорт, так же доработан. Приборная панель стала более информативной, и больше не режет глаза, как было ранее.




Корзина








