Mitsubishi Lancer 2000-2007

Запчасти для Mitsubishi Lancer 2000-2007
Запчасти для Лансер 9, пользуются популярностью из-за огромного количества этих достойных автомобилей по всему миру. Действительно, эти красавцы настолько удачно сконструированы, что владельцы готовы простить им по-прежнему не достаточную звукоизоляцию, в угоду драйверским качествам. Мало какое авто, может похвастаться, столь преданными фанатами. Lancer один из бесспорно, главных бестселлеров Mitsubishi, и совершенно заслуженно, ведь он является обладателем множества различных призов.




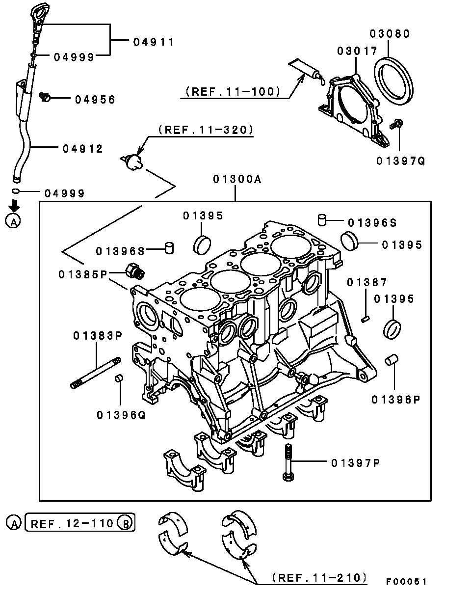
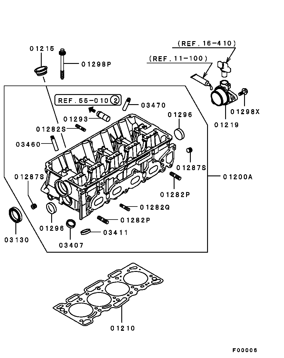
Корзина








