Mitsubishi Outlander 2009-2013

Запчасти для Mitsubishi Outlander 2009-2013
Кроссовер внутри выполнен очень качественно. Интерьер в салоне достаточно сдержанный, но уютный и очень продуманный с точки зрения эргономики. Качественные отделочные материалы, отличная звукоизоляция, практически полное отсутствие вибрации — все это, плюс износостойкие запчасти на Митсубиси Аутлендер, не может не порадовать. Тем более что самые качественные детали в нашем интернет магазине «Реаниматор» можно приобрести в любое время по очень интересной цене, и с доставкой в день заказа.
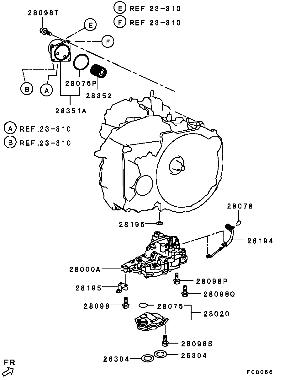
Гибро-блок АКПП
Гибро-блок АКПП на Мицубиси Аутлендер 2009-2013 года, создавая необходимое давление масла, обеспечивает непосредственно работу коробки передач. Я являясь при этом практически, главным элементом АКПП.




Корзина








