Корзина
0 товаров, 0.00руб.

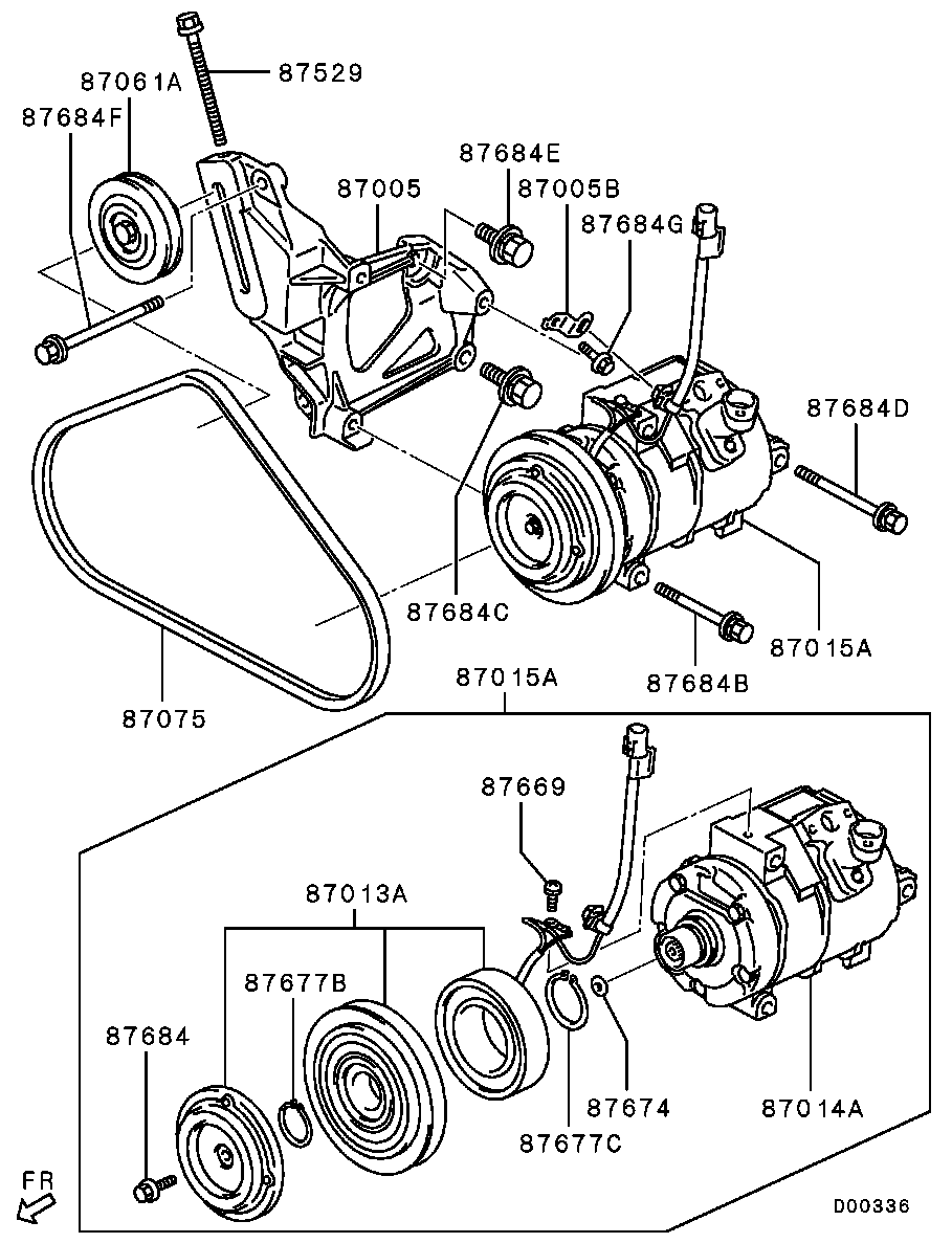
Mitsubishi Pajero 2011-2014

Запчасти для Mitsubishi Pajero 2011-2014 с доставкой

                                                                                 Запчасти для Mitsubishi Pajero 2011-2014

Запчасти на Паджеро 2, радуют качеством и следовательно надёжностью. Салон джипа относительно простой, это по современным представлениям. Но если приглядеться, в нем все продумано и сделано на совесть. Колонка руля регулируется, звукоизоляция отличная, передний и задний обзор более чем достаточный, эргономика продумана, сидения удобны. Интерьер никак не назовешь аскетичным: кажущаяся простота — это на самом деле стильное оформление, качественная отделка, удобные элементы управления и функциональность. Консоль украшает крупный цветной экран, кресло водителя имеет электропривод и может регулироваться в пяти режимах, включая оптимальную жесткость для опоры спины. 



Продолжить покупки Оформить заказ

×

×