Вход
Регистрация
+7(985)319-00-79
+7(985)319-00-79 Вайбер Вотсап
r3190079@yandex.ru
Поиск по артикулу
Поиск по наименованию
Найти
Найти
Корзина
0 товаров, 0.00руб.
Запрос по VIN
Отзывы
Подвеска
Вакуумный насос
Педаль газа
Контактная группа руля
Главная пара
Задний мост
Диск тормозной задний
Поворотный кулак передний правый
Поворотный кулак передний левый
Ступица передняя правая
Ступица передняя левая
Диск тормозной передний
Стабилизатор передний
Рычаг передний верхний правый
Рычаг передний верхний левый
Шаровая опора рычага переднего нижнего правого
Шаровая опора рычага переднего нижнего левого
Рычаг передний нижний правый
Рычаг передний нижний левый
Стойка передняя правая
Стойка передняя левая
Стабилизатор задний
Пружина передняя
Амортизатор задний
Пружина задняя
Рычаг задний продольный правый
Рычаг задний продольный левый
Диск колёсный
Суппорт тормозной передний правый
Суппорт тормозной передний левый
Колодки тормозные передние
Колодки тормозные задние
Суппорт тормозной задний правый
Суппорт тормозной задний левый
Рычаг стояночного, ручного тормоза
Трос правый стояночного, ручного тормоза
Трос левый стояночного, ручного тормоза
Колодки стояночного, ручного тормоза
Педаль тормоза
Главный тормозной цилиндр с бачком
Вакуумный усилитель тормозов
Блок АБС
Датчик АБС передний правый
Датчик АБС передний левый
Датчик АБС задний правый
Датчик АБС задний левый
Руль
Рулевая колонка в сборе
Рулевой вал нижний
Насос ГУР
Рулевая рейка
Главная
/
Mitsubishi
/
Mitsubishi Pajero Sport 2008-2013
/
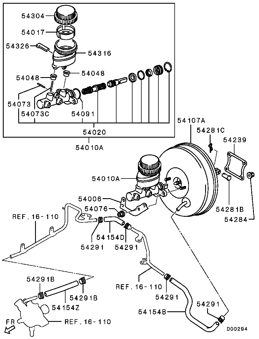
Вакуумный усилитель тормозов
Вакуумный усилитель тормозов
Артикул: 4630A176
Подождите происходит поиск.
Подвеска
Вакуумный насос
Педаль газа
Контактная группа руля
Главная пара
Задний мост
Диск тормозной задний
Поворотный кулак передний правый
Поворотный кулак передний левый
Ступица передняя правая
Ступица передняя левая
Диск тормозной передний
Стабилизатор передний
Рычаг передний верхний правый
Рычаг передний верхний левый
Шаровая опора рычага переднего нижнего правого
Шаровая опора рычага переднего нижнего левого
Рычаг передний нижний правый
Рычаг передний нижний левый
Стойка передняя правая
Стойка передняя левая
Стабилизатор задний
Пружина передняя
Амортизатор задний
Пружина задняя
Рычаг задний продольный правый
Рычаг задний продольный левый
Диск колёсный
Суппорт тормозной передний правый
Суппорт тормозной передний левый
Колодки тормозные передние
Колодки тормозные задние
Суппорт тормозной задний правый
Суппорт тормозной задний левый
Рычаг стояночного, ручного тормоза
Трос правый стояночного, ручного тормоза
Трос левый стояночного, ручного тормоза
Колодки стояночного, ручного тормоза
Педаль тормоза
Главный тормозной цилиндр с бачком
Вакуумный усилитель тормозов
Блок АБС
Датчик АБС передний правый
Датчик АБС передний левый
Датчик АБС задний правый
Датчик АБС задний левый
Руль
Рулевая колонка в сборе
Рулевой вал нижний
Насос ГУР
Рулевая рейка
Продолжить покупки
Оформить заказ
×
×